¯}Ãa¤O¾Ç¤Î¬ðÅܲz½×¦b©¥¥ÛÃä©Y¤§À³¥Î

¥Õ­§¦t¡þ­Y·M¤uµ{¬ì§Þ¦³­­¤½¥q ¤g¤ì§Þ®v¡BÀ³¥Î¦a½è§Þ®v¡B¤j¦a§Þ®v

¤@¡B·§­z

        ±q20¥@¬ö60¦~¥N¥H¨Ó¡A°ê¥~¬ã¨sªÌ¹ï°ª³t·Æ°ÊÃä©Yªº¬ã¨s¡A¦h¼Æ¬O¬ã¨s¥Ñ¶Õ¯à-°Ê¯àÂà¤Æ¾É­Pªº»·µ{°ª³t·Æ°ÊÃä©Y¡A¦ýÃä©Y¥¢Ã­¤¤ÁÙ¦³¤@Ãþ¯}Ãa¤O­n¶W¹L¶È¥Ñ¶Õ¯à-°Ê¯àÂà¤Æ¾É­Pªº»·µ{°ª³t·Æ°ÊÃä©Y¡AºÙ¬°¼@¯P¦¡·Æ°ÊÃä©Y¡A¦¹ÃþÃä©Y·Æ°Êªº¯SÂI¬O¬ðµMÃzµo¡A¨³²r±Y·Æ¡C
        Ãä©Y±Y¶òªºµo¥Í¬O¤º¦](©¥Åé¯S©Ê¡B¤uµ{µ²ºc§Î¦¡µ¥)©M¥~¦](¥~¬ÉÂZ°ÊÃþ«¬¤Î¨ä¯S©Êµ¥)Áp¦X§@¥Îªºµ²ªG¡C±q­õ¾Ç¨¤«×¦Ò¼{¡A¨t²Î±qí©wª¬ºA¦V¤£Ã­©wª¬ºAÂà¤Æ¡A¬O¤@­Ó¶qÅܨì½èÅܪº¹Lµ{¡C·í¶qÅֿܲn¨ì¤@©wµ{«×®É¡A¨t²Î¹F¨ìÁ{¬É¥­¿Åª¬ºA¡A¥ô¦ó·L¤pªº¥~¬ÉÂZ°Ê³£¥i¯à¨Ï¨t²Î¸ó¶VÁ{¬ÉÂI¡Aµo¥Í¥¢Ã­¯}Ãa¡C®Ú¾Ú«D½u©Ê¬ì¾ÇªºÆ[ÂI¡A¦bÁ{¬ÉÂI³B¡AÂZ°Êªº»¤µo§@¥Î¥D­n³q¹L©ñ¤j®ÄÀ³¨Ó¹ê²{¡C¥Ñ©ó³o®É¨t²Î³B©ó¤£Ã­©wª¬ºA¡A¥ô¦ó·L¤pªºÂZ°Ê³£·|³Q©ñ¤j¡A·L¤pªºÂZ°Ê¦bÁ{¬ÉÂIªþªñ·|ÂàÅܦ¨¥¨¤jÂZ°Ê¡A³oºØ¥¨¤jÂZ°ÊÅX°Ê¨Æª«¦V·sªºª¬ºAºtÅÜ¡A³oºØ·LÂZ°ÊºÙ¬°Á{¬É·LÂZ°Ê¥¢Ã­®ÄÀ³¡e1¡f¡A³oºØÁ{¬É·LÂZ°Ê¥¢Ã­¯}Ãa²{¶H©¹©¹¬O¬ðµoªº¡AµL«e¥üªº«D½u©Ê°Ê¤O¹Lµ{¡C
        1980¦~¡A­^°ê¼Æ¾Ç®aP.T.Saunders¥Xª©?An Introduction to Catastrophe?¤@®Ñ¡A©ú½T«ü¥X:¡§§@¬°¼Æ¾Çªº¤@³¡¤À¡A¬ðÅܲz½×¬OÃö©ó©_²§ÂIªº²z½×¡¨¡C¬ðÅܲz½×ªº¥D­n¤§ÂI¡A¦b©óÆ[¹î¬Y¨t²Î©Î¹Lµ{¡A±q¤@í©wª¬ºA¨ì¥t¤@í©wª¬ºAªºÅD¶i¡A©Ò¿×í©w¡A¬O«ü¨t²Î©Î¹Lµ{¬Y¤@ª¬ºAªº«ùÄò¥X²{¡A¥~¬É¤zÂZ¥i¯à¨Ï¨t²Î°¾Â÷¬Y¤@ª¬ºA¡A²£¥Í¤£Ã­©w¡A¦Ó¤zÂZ®ø°£«á¤S«ì´_­ìª¬¡AÄ~Äò¥X²{í©w¡C¦]¦¹Ã­©w©Ê¤£¶È«ü¨Æª«¤£ÅÜ¡AÁÙ«ü¨Æª«¦³¤@©wªº©è§Ü¤zÂZªº¯à¤O¡C¤@­Ó¨t²Î©Ò³Bªºª¬ºA¥i¥Î¤@²Õ°Ñ¼Æ¨Ó´y­z¡A·í¨t²ÎÄÝ©óí©w®É¡Aªí¥Ü¸Ó¨t²Îª¬ºAªº¬Y­Ó¨ç¼Æ¨ú±©¤@ªº·¥­È(¦p¯à¶q¨ú·¥¤p)¡A·í°Ñ¼Æ¦b¬Y­Ó½d³ò¤ºÅܤơA¸Ó¨ç¼Æ¦³¤£¥u¤@­Ó·¥­È®É¡A¸Ó¨t²Î¥²³B©ó¤£Ã­©wª¬ºA¡A±q¼Æ¾Çªº¨¤«×Æ[¹î¤@­Ó¨t²Î¬O§_í©w¡A±`­n¨D¥X¬Y¨ç¼Æªº·¥­È¡A¾É¼Æ¬°¹sªºÂI´N¬O³Ì²³æªº©_²§ÂI¡A©ÎºÙ¬°Á{¬ÉÂI¡A¦]¦¹¬ðÅܲ{¶H¤SºÙ¬°¡§¤£Ã­©w©_²§ÂI¡¨¡C
        ®Ú¾Ú¤T²Õ¬â©¥ª½±µ°Å¤O¸ÕÅçµ²ªGÅã¥Ü¬â©¥°Åµõ­±§e²{¶´©Ê(ductile)©Ê½è(­·¤Æ¤g¥ç·|¦³¦¹ºØ²{¶H)¡A¬JÀ³¤O-À³Åܦ±½u¦b®p­È±j«×«á¨ÌµMÅܤƥ­½w¡A¤£¹³¦b³æ¶b±¡ªp¤U·í¸ü­«¹F¨ì®p­È«á«K«Ü§Ö¾É­P¸ü­«¤j´T¤U­°¦Ó¨Ï±o¸ÕÅé¦bµu®É¶¡¤º¥¢Ã­¡C¦¹»¡©ú¬â©¥¦b¨ü°Å¹F®p­È±j«×«á¤´µM¯à«O«ù¬Û·íµ{«×¤WªºÃ­©w¡A¦ý¦¹®Éªº¸ÕÅ餺³¡¤w¸g¥X²{§»Æ[µõ¯¾¡A¤]´N¬O»¡¸ÕÅé¤w¸g¯}Ãa¡A¦ý¤£¯à»¡©ú¥¦¤w¸g§¹¥þ¥¢Ã­¡C·í§÷®Æªº¼çÅܦb¬Y­Ót®É¨è¤§«e¬Oí©wªº¡A·í¶i¤Jt®É¨è¥H«áªº®É¶¡°Ï°ì¡A§÷®Æ·|¦b«Üµuªº®É¶¡¤ºµo¥Í¥¢Ã­¯}Ãa¡C°ò©ó¥H¤W¤ÀªR¥iª¾¡A¼çÅÜ¥¢Ã­¯}Ãa»P¬â©¥ª½±µ°Å¤O¸ÕÅç³æ½Õ¥[¸üªº¥¢Ã­¯}Ãa¬O¨âºØ¤£¦Pªº¥¢Ã­¾÷¨î¡C¼çÅÜ¥¢Ã­±Ä¥Î¬ðÅܲz½×¶i¦æ¤ÀªR¡Aª½±µ°Å¤O§@¥Î¤Uªº¥¢Ã­«h±Ä¥Î§÷®Æªº±j«×²z½×¤ÀªR¡C
        °ê¹D1¸¹4k+820«n¤UÃä©Yµo¥Í±Y¶ò¡A®Ú¾Ú²{³õ±Y¸¨¤§¤gâí¤Î©¥¶ô°ï¿n±¡§Î¡A±Y¸¨©¥½L³¡¤À¬O§¹¥þ­·¤Æ©¥½L¡A³¡¤À¬O°ª«×­·¤Æ©¥½L¡A³¡¤À¬O¤¤¦Ü»´«×­·¤Æ©¥½L¡C±Y¸¨¤§¤gâíÄÝ·LÀ㪬ºA¡A±Y¸¨¤§©¥¶ô¬°°®ÀꪬºA¡A¦]¦¹¥iª¾¡A¤£¬O¦]¬°¦a¤U¤ôº¯¬yÀ£¤O³y¦¨©¥½L±Y¸¨¡C¥»¤åÀÀ®Ú¾Ú²{³õ¦aªí¦a½è½Õ¬d¡B°ª³t¤½¸ô¸ô­±·L¾_°ÊºÊ´ú¡BÆp±´©¥¤ß¡B¯}Ãa¤O¾Ç¤Î¬ðÅܲz½×¡A±´°Q©¥½L±Y¶òªº­ì¦]¤Î¬°¦ó©¥½L·|¬ðµM±Y¶ò¡C

¤G¡B¦a§Î»P¦a¼h

        ±Y¶òÃä©Y¦ì©óÄݰò¶©ªe¥_¯`¡A°ò¶©ªe¦b¦¹ªþªñ§e²{¨å«¬ªº¦±¬y¡Cªe¬y¨â°¼ªº¦a§Î¤Q¤À¤£¹ïºÙ¡A¥Y¥Xªº¤@°¼¤Á³Î¤s©Y¡A¥W¤Jªº¤@°¼§Î¦¨ªe¶¥¦a¡C±q¤jªº¨¤«×¬Ý¡A³o¤@¬q°ò¶©ªe¨¦¤j­P¤W¬OªuµÛ°Ï°ì©Ê¦V±×ºc³y(¤K°ô¦V±×)ªº¶b³¡»dãé¬y°Ê¡C±Y¶ò¦ì¸m¦ì©ó¥Ñ°ò¶©ªe¤Îº¿³®§|·Ë¨R¨ê©¥¼h©Ò§Î¦¨¤s¯áªº«eªu¡C
        ±Y¸¨©¥½L©Ò¦b¦a¼hÄÝ«n´ä¼h¡A¥Ñ«p¼h«C¦Ç¦â²Ó²É¥Û¦Ç½è¬â©¥©M²`¦Ç¦â­¶©¥©Ò²Õ¦¨¡A¨I¿nÀô¹Ò¬°²L®ü¬Û¡C«p¼h¶ôª¬¬â©¥¸g±`§Î¦¨°~¾ÀÄa±V¡A¬â©¥¬°¥Û®h½èªº²V¿B¬â©¥©Î¨È¿B¬â©¥¡C

¤T¡BÃä©Y±Y¶ò²{ªp´y­z

        °ê¹D1¸¹«n¤U4k+820¤§¬J¦³Ãä©Y(¸Ô¨£¹Ï3-1)¬°¤@ªF¦è¨«¦V¤§2¶¥¦¡¼Q¾®¤g«OÅ@Ãä©Y¡A²Ä¤@¶¥©Y°ª¬ù7m¡A©Y«×¬ù70¢X¡C®Ú¾Ú±Y¸¨«áªº²{³õÅSÀY¡A±Y¶ò°Ï¥XÅS¤§«n´ä¼h«p¼h¶ôª¬¬â©¥¦³¨â²Õ¸`²z¡A¸`²z­±§¡¦³ù׬V(¸Ô¨£¹Ï3-2¤Î¹Ï3-3)¡C¦ÓµLù׬V¤§±iµõ­±¬O¦b©¥½L±Y¸¨¹Lµ{¤¤¦]°Å±i¤O¦Ó¼¹µõ©Ò²£¥Í¡A¦³ù׬V¤§±iµõ­±«h¬O¦b©¥½L±Y¸¨«e¤w¥Í¦¨¡C¸`²z­±²ÊÁW§¨ªd(¸Ô¨£¹Ï3-3)¡A¸`²z­±°®Àê¡C±Y¸¨©¥½L¥D±±®z­±¸Ô¨£¹Ï3-4¡A¹Ï3-4¤¤Àtµõ©¥½L¤§µõÁ_¦b©¥½L±Y¸¨¹Lµ{¤¤¨ü¨ìÂZ°Ê¦ÓÂX±i¡C®Ú¾Ú¹Ï3-5¤gâí¤Î©¥¶ô°ï¿n±¡§Î¡A¹Ï3-1¤¤¤§A-A­å­±¬°§¹¥þ­·¤Æ©¥½L¡A¹Ï3-1¤¤¤§B-B­å­±¬°¤¤¦Ü»´«×­·¤Æ©¥½L¡AA-A­å­±»PB-B­å­±¤§¶¡¬°°ª«×­·¤Æ©¥½L¡C





¥|¡B¦aªí¦a½è½Õ¬d¤Î·L¾_°Ê¶q´ú

        ¦aªí¦a½è½Õ¬d½d³ò¸Ô¨£¹Ï4-1¡A¹Ï¤¤ ªí¥Ü²{¦a½Õ¬dÅSÀY¦ì¸m¡AA¡BB¡BC¡BDªí¥Ü¸`²z½s¸¹¡CÅSÀY¬°«C¦Ç¦â«p¼h¶ôª¬¬â©¥¡A¼h²z¤£©úÅã¡A¦³¨â²Õ¸`²z¡A¤À§O¬°¸`²zC¡B¸`²zD¡A¸`²zCªº¦ìºA80/265(¶É¨¤/¶É¦V)¡A¸`²zDªº¦ìºA69/337¡A¸`²z«ùÄò©Ê¬ù1¡ã2¤½¤Ø¡FÅSÀY¦ì©óF¥`¹D¶×¤J¸U¨½·çÀؽu¤§¤J¤fªu½u¶}«õÃä©Y¡AÅSÀY¬°²`¦Ç¦â­¶©¥¡AÅSÀY¬°«C¦Ç¦â¬â©¥¡AÅSÀY¬°²`¦Ç¦â­¶©¥¡AÅSÀY¬°«C¦Ç¦â¬â©¥¡C¥Ñ©ó­¶©¥¸û¬â©¥³n®z¡A¦bÁ·½K¹Lµ{¤¤¡A°Åµõ­±¥D­nµo¥Í¦b¬â©¥¼h¤º¡A­¶©¥¼h´X¥G¥¼¥X²{°Åµõ­±¡FÅSÀY¬°«C¦Ç¦â¬â©¥¡AÅSÀY¬°²`¦Ç¦â­¶©¥¡CÅSÀY¬°«C¦Ç¦â¬â©¥¡FÅSÀY¬°«C¦Ç¦â¬â©¥¡A§¨Á¡¼hªd¡A¦³¤@²Õ««ª½¸`²z¡F¦b±Y¸¨©¥½L³B¤§«p¼h«C¦Ç¦â¬â©¥¡A®Ú¾Ú²{³õÅSÀY¦³¨â²Õ¸`²zA¡BB(¸Ô¨£¹Ï3-2¤Î¹Ï3-3)¡A¸`²zAªº¦ìºA82/262¡A¸`²zBªº¦ìºA45/348¡A¨â²Õ¸`²z¤§«ùÄò©Ê¬ù1¡ã2¤½¤Ø¡F¹Ï3-2¸`²zA¤U¤è¤§·Æ°Ê­±¦b¼Q¾®¤g«á¶q´ú¨ì¸Ó­±ªº¦ìºA¬°30/167¡C±N¦bÅSÀY¤ÎÅSÀY©Ò¶q±o¼h­±¦ìºA¡B¸`²z¦ìºA¤Î·Æ°Ê­±¦ìºA¶i¦æ¥ßÅé§ë¼v¡A¸g¥ßÅé§ë¼v±o¨ì©¥¼h¼h­±¦ìºA31/151¡A¬J¼h­±¨«¦V¬°¥_°¾ªF61¢X¡A¦VªF«n¶É¡C±Y¶ò¦ì¸m¤§¤¤¤s°ªÃä©Y©Y­±¨«¦V¬°ªF¦è¦V¡A¨ä»P¼h­±¤§¨«¦V§¨¨¤¬°29¢X¡AÄÝ©ó±×¥æ©Y¡A·Æ°Ê­±¦b¼Q¾®¤g«á¶q´ú¨ìªº¦ìºA(30/167)»P¼h­±¦ìºA(31/151)¤j­P¬O¤@­Pªº¡C
        ¥Ñ©ó°ª³t¤½¸ô¸ô­±¤£¥­¾ã¡A­«¨®¦æ¨«·|¦b¸ô­±²£¥Í·L¾_°Ê(¦p¹Ï4-2©Ò¥Ü)¡A¦¹·L¾_°Êªi·|¶Ç¦ÜÃä©Y¡AÃä©Yªø´Á©Ó¨ü·L¾_°Ê¤O¡C©ó°ª³t¤½¸ô¸ôªÓ¤Î²Ä¤@¶¥©Y³»¦w¸Ë·L¾_°Ê»ö(¦p¹Ï4-3©Ò¥Ü)¶q´ú·L¾_°Ê³t«×¤Î¥[³t«×¡A¶q´ú®É¶¡³sÄò1¤p®É¡A³¡¤À¶q´úµ²ªG¦p¹Ï4-4¡C¥Ñ¹Ï4-4¥iª¾©Y³»««ª½¨®¬y¤è¦V¤Î­«¤O¤è¦V¤§³Ì¤j¥[³t«×¬ù9mm/sec2¡A¸ôªÓ««ª½¨®¬y¤è¦V¤Î­«¤O¤è¦V¤§³Ì¤j¥[³t«×¬ù1.6mm/sec2¡C



¤­¡BÆp±´©¥¤ß

        ²{¦aÆp¤Õ¦ì¸m¸Ô¨£¹Ï4-1¡CÆp±´¬O¬°ÁA¸Ñ±Y¶ò³B¤Î¨ä©P³ò¤¤¤s°ªÃä©Y©¥½L¤§¯}¸Hµ{«×¤Î­·¤Æµ{«×¡A¨Ã°t¦X¦aªí¦a½è½Õ¬dµ²ªG¤Î¸ÕÅ禨ªG¡A«Ø¥ßÃä©Y¥i¯àªº¯}Ãa¼Ò¦¡¤Î¥i¾a¦a¦ô­p©¥½L±j«×»PÅܧίS©Ê¡A¥H«K¶i¦æÃä©Y¦w¥þµû¦ô¡C¤S¦ì¦b¤¤¤s°ª²Ä¤@¶¥¤§Æp¤ÕBH02¡BBH03¡BBH04¡BBH05¤§Æp±´¦¨ªG¡A¥Î¨Ó¬ã§P²Ä¤@¶¥Ãä©Y¸`²z¤Îµõ»Øªº¤À¥¬¤Î­·¤Æ±¡§Î¡C
(¤@)©¥½L¦a¤U¤ô¤Jº¯¤Î­·¤Æ²`«×
        ®Ú¾ÚÆp±´©Ò¨ú±o¤§©¥¤ß¡A´N¦U¤Õ¸`²z²`«×¤Î¦a¤U¤ô¬y²ª¸ñ(µõ­±ù׬V)·J¾ã©ó¦pªí5-1¡CÆp¤ÕBH01¤ÎBH06¦a¤U¤ô¬y²ª¸ñ²`¦Ü¦aªí¤U7.1¡ã11.8¤½¤Ø¡A¨ä¦ìº¿³®§|·Ë·Ë¨¦¤§©Y³»¡A·Ë¨¦¸ÑÀ£¡A¸`²z©Îµõ»Ø¶}±i¡A¦aªí¤ô¸û©öº¯¤J¡A¹Ï5-1¬°BH06®Ç¤§ÅSÀY¦aªí¤ôªuªñ¦aªí¤§µõ»Øº¯¤J¡C
        Æp¤ÕBH02¡BBH03¤ÎBH05¤ô¬y²ª¸ñ²`¦Ü¦aªí¤U2.3¡ã4.9¤½¤Ø¡A¥uÁ{¤¤¤s°ª¡A²Ä¤@¶¥Ãä©Y°ª¬ù7¤½¤Ø¡CBH04¦a¤U¤ô¬y²ª¸ñ²`¦Ü¦aªí¤U7.6¤½¤Ø¡ABH04ªñÃä©YÃä½t¡AÁ{º¿³®§|·Ë·Ë¨¦¤Î¤¤¤s°ª¡A©Ò¥H¦a¤U¤ô¬y²ª¸ñ¸ûBH02¡BBH03¤ÎBH05²`¡A¤SBH05¸ûBH02¡BBH03ªñº¿³®§|·Ë¡A¨ä¦a¤U¤ô¬y²ª¸ñ¤S¸ûBH02¡BBH03²`¡CBH04¦aªí¤U5.5 ¤½¤Ø¦³¤@³B³n¤Æªd±a¡A¦¹³n¤Æªd±a¤§©¥¤ß§Îª¬¬°·¤§Îª¬¡AµL¨ü°Å²ª¸ñ¡A¤S®Ú¾ÚÆp¤ÕBH05¤ÎBH06¨Ã¥¼¦³³n¤Æªd±a¥X²{¡A¦]¦¹±À´ú¦¹³n¤Æªd±a«Y§½³¡²{¶H¡C
        ¥Ñ¤W­zÆp±´µ²ªG¥iª¾¡A¶ZÂ÷º¿³®§|·Ë¶Vªñ¡A¦aªí¤ô¤Jº¯©¥½L¤§²`«×¶V²`¡A·N¿×©¥½Lªº­·¤Æµ{«×¶V°ª¡C

(¤G)©¥½L¸`²zºò±Kµ{«×¤Î«ùÄò©Ê
        ¥ÑÆp¤Õ©¥¤ß¥iª¾¡A±Y¸¨©¥½L³BÃä©Y¤§©¥©Ê¬°«p¼h¶ôª¬¬â©¥¡A¨ä«p«×¤j©ó20¤½¤Ø¡C¬Û¦P©¥©Ê¡A¸`²z¤§ºò±Kµ{«×¤Î«ùÄò©Ê»P©¥¼h«p«×¤Îºc³yÅܧε{«×¦³Ãö¡e2¡f¡A©¥¼h¶V«p¡A¸`²zªº¶¡¶Z¶V²¨¡A¸`²zªº«ùÄò©Ê¶Vªø(¦p¹Ï5-1¡B¹Ï5-2)¡C©¥¼h¦±²v¶V¤j¡A¸`²zªº¶¡¶Z¶V±K¡A±Y§~³B¦ì©ó¦V±×Ál³¡¡A¸`²zªº¶¡¶Z¸û²¨¡C¤S®Ú¾ÚBH01(¹Ï5-3)¤Õ²`«×18¡ã20¤½¤Ø»P22¡ã24¤½¤Ø³B¤§¸`²z¤ÎBH06¤Õ²`«×12¡ã20¤½¤Ø³B¬°ºò±K¸`²z(¶­§Î¸`²z¡A¨ä¥D­nµõ­±¥u¦³¤@­Ó)¡A¦]¦¹±À©w±Y¸¨©¥½L³B©P³ò«p¼h¶ôª¬¬â©¥¦³®Þ¯¾°Ï(hackle zone¡A®Þ¯¾¤SºÙ¦Ð¯¾¡A«üÀô¶¦bÃè°Ï¥H¤ÎÃú°Ï¤§¥~¡AÂ_µõ©µ¦ù¤w¤£¦Aªu­ì¦³³æ¤@ªºµõ­±µo®i¡A§Î¦¨³\¦hÂ_­±°_¥ñ©¼¦¹¥æ¿ùªº¥æ¿ù¸ñ¡A³o¨Ç¤pÂ_­±¶¡ªº¥æ¿ù¸ñ¥Nªí§½³¡Â_µõ©µ¦ùªº©µ¦ù¤è¦V)¦s¦b¡FÆp¤ÕBH02(¹Ï5-4)¡BBH03¤ÎBH04©¥¤ß¤§¸`²zµõ»Ø¦³¤Àª[²{¶H¡A¤Àª[²{¶HÅã¥Ü¤Àª[§@¥Î»P¤Àª[ªK¤ÏÀ³¸`²zµõ­±©µ¦ù®ÉªºÀ³¤O­È¤j¤p¡AÀ³¤O­È¶V¤j¡A¤Àª[§@¥Î¶V©úÅã¥B¤ÀªK¶V¦h¡A¤Àª[§@¥ÎÅã¥Ü¸`²zªº©µ¦ù¥i¯à¦b¸û§CªºÀ³¤O¤U²£¥Í¡C¦]¦¹±À´úªí5-1Æp±´µ²ªG¤§¸`²z¨Ã«D¥D¸`²z(main joint)¡A¨ä«ùÄò©Ê¤£ªø¡C


        ®Ú¾Ú¸`²z¦ìºA¤§¥ßÅé§ë¼v¤ÀªR¡A¹Ï3-2¤§¸`²zA»P¹Ï4-1¸`²zC¬°¦P¤@²Õ¸`²z¡A¨ä¨«¦V»P¼h­±¨«¦V««ª½¡A¶É¨¤ªñ««ª½¡C¹Ï3-3¤§¸`²zB»P¹Ï4-1¤§¸`²zD¬°¦P¤@²Õ¸`²z¡A¸`²z¨«¦V»P¼h­±¨«¦V¤@­P¡A¸`²z¶É¨¤»P¼h­±¶É¨¤ªñ««ª½¡A¨â²Õ¸`²z§¡¬°¦ù±i¸`²z¡A±qºI¤ÁÃö«Y¨Ó¬Ý¡A¸`²z²ÕB´¶¹M²×¤î©ó¸`²z²ÕA¡A¦]¦¹¥i¯à¸`²z²ÕA¥ý¸`²z²ÕB§Î¦¨¡C
        ªí5-1©Ò­z¤§¸`²z¶É¨¤45¢X¡ã82¢X¡A»P¸`²zA¡ã¸`²zD¤§¶É¨¤¬Û¦ü¡A¤S±Y¸¨©¥½L³BÁöÁ{¤K°ô¦V±×¡A¦ý¦b±Y¶ò¦ì¸m©P³ò¤§«p¼h¶ôª¬¬â©¥¨Ã¥¼µo²{Á·½K±ß´ÁªºX«¬¸`²z¡A©Ò¥H¥i±À´ú±Y¸¨©¥½L³B©P³ò©¥½LµLX«¬¸`²z¦s¦b¡C
        ®Ú¾Ú±Y¶ò¦ì¸m©P³òÅSƒñ¤ÎÅSÀYƒø²{ªpÅã¥Ü¡A¸`²z²¨ÃP¡A®Ú¾Úªí5-1Æp±´µ²ªG¤§¸`²z²`«×¡A­pºâ±o¨ì¸`²z¤§¥­§¡¶¡¶Z¬ù2.5¤½¤Ø¡C¦]¦¹±Y¶ò¦ì¸m©P³ò©¥½L¸`²z²¨ÃP¡A¸`²z«ùÄò©Ê¬ù2¡ã3¤½¤Ø¡C
(¤T)®z­±ªº²ÊÁWµ{«×
        ®Ú¾Ú²{¦a©Ò½Õ¬dÅSÀY¤ÎÆp±´©Ò±o¤§©¥¤ß¡A±Y¶ò¦ì¸m©P³ò«p¼h¬â©¥¼h¤§¼h²z¤£©úÅã¡C®Ú¾Ú©¥¤ß¦bÆp±´¹Lµ{©Ò³y¦¨¤§µõ­±¥HÆp¤ÕBH02©¥¤ß¬°¨Ò(¸Ô¨£¹Ï5-5)¡A¨äÂ_µõ­±²ÊÁW¤£¥­(¸Ô¨£¹Ï5-6)¡A¨äÂ_µõ¹Lµ{©Ó¨ü¤jªº±iÀ³¤O¡A¸Óµõ­±¬°ªu¨I¿n¹Lµ{©Ò²£¥Í¤§­ì¥Í®z­±µõ¶}¡F¦ù±i¸`²z¤§¸`²z­±²ÊÁW¤£¥­(¸Ô¨£¹Ï5-7¡B¹Ï5-8)¡Aªí¥Üµõ­±¦b§Î¦¨¹Lµ{¤¤©Ó¨ü¤j±o±iÀ³¤O¡F¸`²zA¡ã¸`²zD(¹Ï3-2¡B¹Ï3-3¡B¹Ï4-1)¤§¸`²z­±²ÊÁW¥­¶¶¡A¦b¸`²z¥Í¦¨¹Lµ{¦ù±i¤è¦V©Ó¨ü¥i¯à¬°·L¤pÀ£¤O©Î·L¤p±i¤O¡CÆp¤ÕBH-02²`«×0~2.3¤½¤Øªñ««ª½¦ù±i¸`²zµõ­±¤§µõ§Î¯S¼x¤£¦P©ó¸`²zA¡ã¸`²zD¤§¸`²z­±µõ§Î¯S¼x¡Aªí¥Ü¦¹¸`²z­±¤£¦P©ó¸`²zA¡ã¸`²zD¡A¨äµõ­±¦b§Î¦¨¹Lµ{©Ó¨ü¤jªº±iÀ³¤O¡C


(¥|)¥¼±Y¶ò©¥½L±j«×°Ñ¼Æ
        ©¥¥Û¸ÕÅç¥H±Y¶ò°Ï®Ç¤§Æp¤ÕBH04©Ò¨ú¼Ë©¥¤ß¶i¦æ¸ÕÅç¡A©¥¥ÛI«¬¤ÎII«¬¤§Â_µõ¶´«×(fracture toughness)¡e3¡f¥i¥Ñ¸ÕÅçµ²ªG¤§©¥¥Û³æ¶b§Ü±i±j«×¡B³æ¶b§ÜÀ£±j«×¨D±o(¸Ô¨£ªí5-2¡Bªí5-3)¡e4¡f¡C®Ú¾ÚGriffith²z½×¡e5¡f¡A©¥¥Û³æÀ£±j«×¬°8­¿§Ü±i±j«×¡A¥Ñ©ó¥»¸ÕÅç©¥¥Û¦s¦b¦h¼Æªì©l·Lµõ»Ø©Î¯Ê³´¡A¦]¦¹±Ä¥Î©¥¥Û³æÀ£±j«×¬°15­¿§Ü±i±j«×¡C
        ¥Ñ²Ä¥|¸`¦aªí¦a½è½Õ¬d¤Î²Ä¤­¸`Æp±´©¥¤ß©Ò­z©¥½L¦a¤U¤ô¤Jº¯¤Î­·¤Æ²`«×¡B©¥½L®z­±«ùÄò©Ê¤Îºò±Kµ{«×¤Î®z­±ªº²ÊÁWµ{«×¡A¨Ì©¥½L¸`²z¤À¥¬±¡§Î(interlocking and joint alteration¡AHoek and Brown 1998¡e6¡f)¡A©¥½Lºc³y(Structure)ÄÝ©ó«p¶ôª¬(Blocky)¡A¸`²z­±ª¬ªpÄÝ©ó¨Î(Good)¡A¬J¸`²z­±²ÊÁW»´«×­·¤Æ©ÎÄìV¡A©¥ÅéGSI¡×60¡ã70¡A¬â©¥mi±Ä¥Î17¡A?©Y°ª«×±Ä¥Î20¤½¤Ø¡A¨D±o©¥½L±j«×°Ñ¼Æ¡C

¤»¡B²{¦aÀ³¤O³õªºÅܤÆ

        ¦Ò¶qF¥`¹D¶}«õ¤Îµ²ºcª«¬I¤u®É©Ò³y¦¨Ãä©Y¸ÑÀ£¤Î¥[À£¤§¼vÅT¦Ó§ïÅÜÃä©YªºÀ³¤O³õ¤§ÅܤƱ¡§Î¡C¤ÀªRµ²ªGÅã¥Ü°²³]µ²ºcª«2¤½¤Ø«p¤§²V¾®¤g¾ô¥x¡A¨ä²ü­«¬°48000N/m2¡A¨Ï¥ÎFLAC3D¶i¦æÀR¤O¼u©Ê¤ÀªR¡A¨Ã§Q¥Îhistory«ü¥O¬ö¿ý²Ä¤@¶¥©Y³»««ª½¤U¤è¨C¹j1¤½¤Ø³B¤§³Ì¤j¥DÀ³¤O¤Î³Ì¤p¥DÀ³¤O¤§ÅܤƱ¡§Î(¦p¹Ï6-1©Ò¥Ü)¡C®Ú¾Ú¤ÀªRµ²ªG¡A²Ä¤@¶¥©Y³»««ª½¤U¤è5¤½¤Ø³B©¹¤UÀ³¤O³õ¦bF¥`¹D¶}«õ¤Îµ²ºcª«¬I¤u¹Lµ{¤¤¡AÀ³¤O¤j¤pµo¥ÍÅܤơA¤£¦P©ó¥¼¬I¤u«eªºÀ³¤O¤j¤p¡C®Ú¾Ú¤ÀªRµ²ªG¡Aø»s¹Ï6-2¡A¹Ï6-2¤¤ºñ¦âªí¥Ü©¥½LÀ³¤OµLÅܤƤ£¨üF¥`¹D¶}«õ¤Î¿ûµ¬²V¾®¤g¬I¤u¼vÅT¡A¤g¶À¦âªí¥Ü©¥½LÀ³¤O¦³©Ò§ïÅÜ¡C¤S®Ú¾ÚÀR¤O¼u¶ì©Ê¤ÀªR¡A¾ãÅéÃä©Y¤´¦b¼u©Êª¬ºA(¸Ô¨£¹Ï6-3¡B¹Ï6-4¡B¹Ï6-5)¡A±©²Ä¤@¶¥©Y³»¥X²{°Å¤O¡Ð±i¤O¯}Ãaª¬ºA¡A»¡©ú²Ä¤@¶¥©Y³»ªø´Á©Ó¨ü¦]­«¤O§@¥Î©Ò²£¥Íªº°Å¤O¤Î±i¤O¡C




¤C¡B©¥½L±Y¸¨¼Ò¦¡

        ®Ú¾Ú¹Ï3-2¤Î¹Ï3-3¡AµLù׬V¤§±iµõ­±¬O¦b©¥½L±Y¸¨¹Lµ{¤¤¦]±i¤O¦Ó¼¹µõ©Ò²£¥Í¡A¦³ù׬V¤§±iµõ­±«h¬O¦b©¥½L±Y¸¨«e¤w¥Í¦¨¡C¹Ï3-5¤§Àtµõ©¥½L¦]¤W­z±i¤O§@¥Î¨Ïµõ»Ø¤Î¸`²z±i¶}§Î¦¨µõÁ_¡A±Y¸¨©¥½L½d³ò¤î©ó¥Ñ¦³ÄìV¸`²z­±A©Ò§Î¦¨¤§Àtµõ©¥½L­±¡C®Ú¾Ú²Ä¤T¸`©Ò­z±Y¸¨©¥½L­·¤Æµ{«×¡A¨ä¤À¥¬¦ì¦p¹Ï7-1¡A¥ª°¼³¡¥÷¬°§¹¥þ­·¤Æ©¥½L¡A¤¤¶¡³¡¥÷¬°°ª«×­·¤Æ©¥½L¡A¥k°¼³¡¥÷¬°¤¤¦Ü»´«×­·¤Æ©¥½L¡C¹Ï7-1·sÂA¥¼ÄìV©¥¥Û¦b©¥½L±Y¸¨¹Lµ{¤¤³Q°ÅÂ_¡A¦Ó§Î¦¨±Y¸¨©¥½L¤£¥­¾ã¥D±±®z­±(¸Ô¨£¹Ï3-4)¡A¥D±±®z­±¦ìºA¤j­P»P©¥¼h¼h­±¦ìºA¤@­P¡C
        ®Ú¾Ú¤W­z¡A°²³]µLù׬V±iµõ­±¤§§Ü±i¤O¬°T¡A·sÂA¥¼ÄìV©¥¥Û§Ü°Å¤O¬°S¡A¤£¥­¾ã¥D±±®z­±§Ü·Æ°Ê¤O¬°R¡AÅX¨Ï©¥½L±Y¸¨ªº¥~¤O(­«¤O¡B(·L)¾_°Ê¤O¡B¦a¤U¤ôº¯¬yÀ£¤Oµ¥)¬°F¡AF=F¥ª+F¤¤+F¥k¡A«h¦bT¡ÏS¡ÏR¡ÕFªº±¡ªp¤U¡A©¥½L¬ðµM±Y¸¨¡C±N¥ª°¼³¡¥÷»P¤¤¶¡³¡¥÷µø¬°¤@Åé A¡A°²³]AÅé»P¥k°¼³¡¥÷(BÅé)¶¡¦s¦b¤@¬Û¤¬§@¥Î¤§©ì¦²¤OSS¡A­YSS¡ÙF¥ª+F¤¤-R¡A«hAÅ餣·|±Y¸¨¡C¦ý¬O¦bT¡ÏS-F¥k¡ÕSSªº±¡ªp¤U¡A©¥½L¬ðµM±Y¸¨¡C

¤K¡B©¥½L±Y¸¨­ì¦]

        ¹Ï3-4¤¤ªºÀtµõ©¥¬O¦b³o¦¸©¥½L±Y¸¨¹Lµ{¤¤³Q¼¹µõ¡C¹Ï3-2¤¤¦³ù׬V±iµõ­±(¦¸¥Íµõ­±)¬O¦b©¥½L±Y¸¨«e¤w¦s¦b¡A¨äµõ¯¾¦¨ªø¸ô®|¦p¹Ï8-1©Ò¥Ü¡A¹ïÃä©Y¦Ó¨¥¡A¹Ï8-1¤¤ªºÀ£¤O¡A¬°ªñ¥­¦æ©ó©Y­±ªºÀ£À³¤O¡C®Ú¾Ú¼Æ­È¤ÀªRµ²ªG¡A¤¤¤s°ªÃä©Y¶}«õ§¹¦¨«á¡A²Ä¤@¶¥©Y³»¤U¤è2¡ã3¤½¤ØªºÀ£À³¤O(³Ì¤j¥DÀ³¤O)¬°0.1MPa(¸Ô¨£¹Ï8-2©Ò¥Ü)¡A¨ä§@¥Î¤è¦V»P¸`²z­±B(¹Ï3-3)§¨¨¤£]¬ù55¢X¡C¸`²z­±B¤§ªø«×a¡×1.5m¡A¥Ñ©ó¸`²z­±B¦³ÄìV¡Aªí¥Ü©¥½L±Y¸¨«e¸Ó¸`²z­±¥¼ºò³¬¡A¬G¤£¦Ò¼{¸`²z­±ªº¼¯À¿¤O¡A­pºâ±o¨ì¨üÀ£µõ¯¾ºÝ³¡ªºÀ³¤O±j«×¦]¤l¡A®Ú¾Úªí5-2¤Îªí5-3²Ä¤@¶¥©Y³»¤U1m¦Ü4m¬â©¥¤§Â_µõ¶´«×¡A®Ú¾ÚIrwin·Ç«h¡AKI¡×KIC¤ÎKII¡×KIIC¡Aµõ¯¾¤~·|¶}©lÂX®i¡A¥i¯àªºµõ¯¾ÂX®i¨¤«×¡×90¢X¡ã105¢X(¦p¹Ï8-3©Ò¥Ü¡A£m¡Ðcriterion)¡A¦¹»P¹Ï3-2¦³ù׬V±iµõ­±µõ¯¾¦¨ªø¸ô®|¬Û¦P¡C¤Sµõ¯¾ÂX®i¤è¦V³Ì«á¥­¦æ©Y­±³Ì¤j¥DÀ³¤O¤è¦V¡A¦¸¥Íµõ¯¾ªø«×¬ù1.0¤½¤Ø¡C±N¦¹ºØ·l¶Ëµõ¯¾µ¥®Ä¬°¥­¦æ©ó³Ì¤j¥DÀ³¤O¤è¦Vªº¨â±øµõ¯¾¡e8¡f¡Aµõ¯¾ÂX®i¤§·¥­­±ø¥óKI¡×KIC¡A®Ú¾Úªí5-2¤Îªí5-3°ª«×­·¤Æ¬â©¥¦Ü»´«×­·¤Æ¬â©¥¤§Â_µõ¶´«×KIC¡×0.784 MPa¡Ôm¡A¨D±o¥i¯àªºµõ¯¾ÂX®iªø«×L¡×0.021¤½¤Ø¡C®Ú¾Ú¹Ï8-4(£]¡×55¢X¡Ba¡×1.5m¡BKIC¡×0.784)¡Aµõ¯¾ªø«×1.0¤½¤Ø©Ò¹ïÀ³ªº©Y­±À£À³¤O(³Ì¤j¥DÀ³¤O)1.0 MPa¤j©ó0.22MPa¡C®Ú¾Ú¤W­z¡Aªí¥Ü¦¹¦¸¥Íµõ¯¾¦b¤¤¤s°ª¶}«õÃä©Y«e´N¤w§Î¦¨¡A¤¤¤s°ª¶}«õÃä©Y«á¡A«ùÄò¨ü¨ì¦aªíº¯¤ôªº­·¤Æ¡C



        ®Ú¾Ú²Ä¤C¸`¡A­YSS¡ÙF¥ª+F¤¤-R¡A«hAÅ餣·|±Y¸¨¡A¦ý¬O¦bT¡ÏS-F¥k¡ÕSSªº±¡ªp¤U¡A©¥½L¬ðµM±Y¸¨¡C¥iª¾¼W¥[F¥ª+F¤¤©ÎR´î¤p¡A¨Ï±oSS¼W¤j¡A¤ST©ÎS´î¤p¤ÎF¥k¼W¤j¡A¨Ï±o©¥½L¬ðµM±Y¸¨¡CS¡BT¤ÎR¦]­·¤Æ§@¥Î¦Ó´î¤p¡AF¥ª¡BF¤¤¤ÎF¥k»P­«¤O¡B(·L)¾_°Ê¤O¤Î§t¤ô¶q¦³Ãö¡C
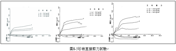
        ®Ú¾Ú¤T²Õ¬â©¥ª½±µ°Å¤O¸ÕÅçµ²ªG(¹Ï8-5)Åã¥Ü¬â©¥°Åµõ­±§e²{¶´©Ê(ductile)©Ê½è¡AÃþ¦ü²¨ÃP¬â¡e9¡f¡A¨äªñ¦üÂù¦±½u§Î¦¡¦p¦¡(1)¤Î¦¡(2)©Ò¥Ü(Kondner¡A1963)(Duncan©MChang¡A1970)¡C­Y©¥¥Û©Ò©Ó¨ü¤§À³¤O¹F¨ì©Î¶W¹Lªø´Á±j«×­È¡A¼çÅÜÅܧγW«ß»P©¥¥Û§÷®Æ¨ü¤O«á§e²{¥Xªº¤O¾ÇÄݩʯS§O¬O»P¼çÅܯ}Ãa¯S©Ê¦³Ãö¡C¼çÅܶ´©Ê¯}Ãa¡A¹ïÀ³¼çÅÜÅܧιLµ{¨ã¦³²ÄI¡B²ÄII¡B²ÄIII¶¥¬q¼çÅÜ¡A¦Ó¥B¥[³tÅܧ楬q«ùÄò¤@©w®É¬q«á¡A©¥¥Ûµo¥Í¥¢Ã­¯}Ãa¡CAÅé¦b¼çÅܹLµ{¤¤¡A¥Ñ©ó¨ü¨ì©ì¦²¤OSSªº²o¨î¨Ã¥¼¥¢Ã­¦Ó±Y¸¨¡A¦ý¦b¼ç²¾¹Lµ{¤¤BÅé¦P®É¨ü¨ì©ì¦²¤OSS§@¥Î¨ÏBÅ餧µõÁ_¦]¨ü©Ô°Å¦ÓÂX¤j¡A¨Ã³y¦¨Ãä©Y¼Q¾®¤gªº¯}µõ(¸Ô¨£¹Ï3-1)¡C
        
        ¨ä¤¤Rf¡AºÙ¬°¯}Ãa²v¡ARf=£nf /£nult¡A£nult¬°°ÅÀ³¤Oº¥ªñ­È¡A£nf¬°§Ü°Å±j«×¡A£nultµy¤j©ó£nf¡A¬°ªì©l¤Á½u°Å¤O¼Ò¼Æ¡C
        BÅéµõÁ_¼çÅÜÂ_µõ¡A¨ä¦bµõ¯¾¥¢Ã­ÂX®i¤§«e¦s¦b¤@¨ÈÁ{¬ÉÂX®i¶¥¬q¡A¦b¦¹¶¥¬q§Y¨Ï¥~¸ü­«¤£ÅÜ¡Aµõ¯¾¤]±NÀH®É¶¡½wºC¼W¥[¡Aµõ¯¾ªø«×¬O¨ü¸ü­«®É¶¡tªº¨ç¼Æ¡CBÅ餧µõ¯¾ªø«×ªº¼W¥[¡A¨Ï±oµLù׬V±iµõ­±¤§§Ü°Å±i¤OT´î¤Ö¡C¬°À³¥Î¬ðÅܲz½×¨Ó»¡©úBÅ饢í±Y¸¨¡A¤Þ¤J¨ç¼Æ£X:
        
        l¬°¨M©wµõ¯¾¦yºÝ¦ì¸mªºªø«×Åܶq¡AF1,F2,¡K,Fn¬O¸ü­«°Ñ¼Æ¡Ag¬Oµõ¯¾¦yºÝªº¯à¶qÄÀ©ñ²v¡e10¡f¡Agc¬Oµõ¯¾ÂX®i¹F¨ì¥­¿Åª¬ºA®ÉªºÁ{¬É¯à¶qÄÀ©ñ²v¡C
        
        ¥»¨ÒBÅ餧¸ü­«°Ñ¼Æ¬°F¥k¤ÎSS¡A(7)¦¡¬Oµõ¯¾ÂX®iªºÁ{¬É±ø¥ó(¥­¿Å±ø¥ó)¡C(©Î)¬Oµõ¯¾Ã­©wÂX®i»P¥¢Ã­ÂX®iªº±ø¥ó¡A·í"?2?" /"?2l <0" ®Éµõ¯¾¥¢Ã­ÂX®i¡A/®Éµõ¯¾Ã­©wÂX®i¡CF¥k¤ÎSSº¡¨¬(7)¦¡±±¨îµõ¯¾ªº¥­¿Å¡AºÙ¬°¶Õ¯à¨ç¼Æ£XªºÁ{¬ÉÂI¡A©ÎºÙ¬°¬ðÅÜÂI¡C¹Ï8-6¬°BÅé©Ó¨üF¥k¤ÎSSªº¥Ü·N¹Ï(¸Ô¨£¹Ï3-4)¡A¹Ï¤¤Åã¥Üµõ¯¾©Ó¨ü©Ô°Åª¬ºA¡C¹Ï8-7©Ò¥Ü¸`²z­±©Ó¨ü¥~¤O®É¡Aµõ¯¾®e©öÂX®i¡A¤À¤äµõ¯¾ªu£m1¤è¦V©µ¦ùÂX®i¡AÂX®i¼Ò¦¡¦p¹Ï©Ò¥Ü¡C°²³]¸`²z­±»P£m3¤è¦V¦¨£\¨¤¡A¥i±o¤À¤äµõ¯¾¦yºÝªºÀ³¤O±j«×¦]¤lªñ¦ü¬°¡e11¡f:
        
        ¥Ñ(9)¦¡¥iª¾·íµõ¯¾ªø«×í©wÂX®i¨ìl®É¡A¥u­nJs©Î£m3·L¤p¼W¥[¡Aµõ¯¾²£¥Í¥¢Ã­ÂX®i¡A¨Ï©¥½L¬ðµM±Y¸¨¡C(9)¦¡¤¤¡A£m1=f1(F¥k,SS)¡A£m3=f3 (F¥k,SS)¡AJs¬°¸`²z­±¤WªºÅX°Ê¤O¡AJs=f(£m1,£m<3,fs,cs)¡Cfs¬°¸`²z­±ªº¼¯À¿¤O¡Acs¬°¸`²z­±¤Wªº¾®»E¤O¡A±q¸`²zB¤§ù׬V±¡§Î¡Afs¤Îcs¥iµø¬°¬°¹s¡A©Ò¥HJs=f(F¥k,SS)¡CF¥k©ÎSSªº·L¤p¼W¥[¡A·|³y¦¨Js©Î£m3·L¤p¼W¥[¡A³y¦¨F¥k©ÎSSªº·L¤p¼W¥[ªº­ì¦]¦³©¥½L§t¤ô¶qªº¼W¥[¡B(·L)¾_°Ê¤O¤Î©¥½L­·¤Æ¡C


¤E¡B¤uµ{À³¥Î

        ¹ï©ó¦³¦MÀIªº©¥½Lªº¥D±±®z­±(¹Ï9-1)¡A¨D±o¦yºÝ(OÂI)ªº¯}Ãa±j«×¦]¤l¡A°Ñ¦Ò¦¡(9)¹ï¯}Ãa±j«×¦]¤l¨D¾É¼Æ¡A¨Ã±À±o¦p¦¡(10)¡C

¤Q¡Bµ²½×

        ¸`²zB¤§¦¸¥Íµõ¯¾¦b¤¤¤s°ª¶}«õÃä©Y«e´N¤w§Î¦¨¡A¤¤¤s°ª¶}«õÃä©Y«á¡A«ùÄò¨ü¨ì¦aªíº¯¤ô¤Î®ð­Ô·Å«×Åܤƪº­·¤Æ¡C¥Ñ©óAÅé»PBÅéªø´Á¼ç²¾¤Î«ùÄò­·¤Æ¡A¨Ï¸`²zB¤§¦¸¥Íµõ¯¾ªø«×lí©wÂX®i¡C¥Ñ©ó³s¤é²Ó«B¡A¨ÏAÅé§t¤ô¶q¼W¥[¡A¦P®ÉAÅé¤ÎBÅé¦b(·L)¾_°Ê¤O¦@¦P§@¥Î¤U¡A¨Ïµõ¯¾²£¥Í¥¢Ã­ÂX®i¡A³y¦¨T¡ÏS

°Ñ¦Ò¤åÄm

1.³\±j¡B¶À¼í¬î¡B¤ý¨Ó¶Q(2002)¥~¬ÉÂZ°Ê»¤µo¦a½è¨a®`ªº¾÷²z¤ÀªR¡eJ¡f. ©¥¥Û¤O¾Ç»P¤uµ{¾Ç³ø¡A21(2):280-284¡C
2.NEVILLE J. PRICE (1968) FAULT AND JOINT DEVELOPMENT in Brittle and Sem-brittle Rock,PERGAMON PRESS,p141¡ã148.
3.Irwin,G.R.(1957) Analysis of stresses and strains near the end of a crack, J. Appl. Mech.,24,p361.
4.B.N.Whittaker, R.N.Sigh and G.Sun (1992) Rock Fracture Mechanics Principles,Design and Applications,ELSEVIER,Chap 10.
5.Griffith,A,A,(1924)The theory of rupture, Proc.1st Int.Congr.Appl.Mech.,p56¡ã63.
6.Hoek E, Brown ET(1998)Practical estimates of rock mass strength. Int J Rock Mech Min Sci 34¡G1165¡ã1186.
7.B.N.Whittaker, R.N.Sigh and G.Sun (1992) Rock Fracture Mechanics Principles,Design and Applications,ELSEVIER,p116¡ã117.
8.¦¶ºû¥Ó¡B§õ¾ð§÷¡B³¯½Ã©¾(2002)¸`²z©¥Åé¯}Ãa¾÷²z©MÁã©T®ÄÀ³¤Î¤uµ{À³¥Î¡A¬ì¾Ç¥Xª©ªÀ¡A²Ä74¡ã75­¶¡C
9.Braja M.Das(1983)Advanced Soil Mechanics,­i¾ô®Ñ©±,p405.
10.Dietmar Gross and Thomas Seelig(2011)Fracture Mechanics with an Introduction to Micromechanics,Springer,p97.
11.Kemeny J. and Cook N.G.W.(1986)Effective Moduli,Non-Linear Deformation and Strength of a Cracked Elastic Solid.Int,J.Rock Mech.Min.Sci.& Geomech.Astr.,Vol.23,No.2.